1. Introduction
Modern signal processing applications emerging in the telecommunications and instrumentation
industries need high-speed and high-resolution analog-to-digital converters (ADCs).
Time-interleaved ADCs (TIADCs) provide an effective way to achieve high sampling rate
while maintaining high resolution [1]. However, fabrication errors result in a variety of channel mismatch errors, limiting
the conversion precision of TIADC. The main mismatches are offset, gain, timing, and
bandwidth mismatches. Bandwidth mismatch can be eliminated in the process of timing
mismatch and gain mismatch elimination. These mismatches generate spurs in the output
spectrum and significantly reduce the signal-to-noise distortion ratio (SNDR) and
spurious-free dynamic range (SFDR) of a TIADC system.
There are many calibration techniques for TIADC channel mismatch errors, which can
be divided into analog calibration, mixed calibration, and all-digital calibration
[2]. Compared with the other two techniques, the all-digital calibration technique is
more robust and portable under different processes. At the same time, it can also
take full advantage of the cost and integration advantages brought by the progress
of integrated circuit technology in digital circuits.
All-digital TIADC calibration techniques mainly include methods based on a fractional
delay filter [3], the Taylor formula [4], a reference channel [5], modulation [6-8], and so on. The first two calibration techniques require a complex filter structure
under high-precision compensation. The method based on a reference channel is very
effective, but the introduction of an extra reference channel greatly increases the
complexity, and a reference-channel ADC usually works at speed that does not match
the speed of the sub-ADC of TIADC, thus introducing additional bandwidth mismatch
[9].
In contrast, the modulation calibration algorithm has high calibration accuracy and
low complexity. However, when the input signal frequency is ${\lambda}$fs/2M, where
M is the number of channels, and fs is sampling frequency (${\lambda}$=0,1…M-1), channel
mismatch errors are often difficult to estimate and calibrate, and they may even cause
deterioration of the output. To solve this problem, one study introduced a notch filter
to trap a special-frequency signal so that the output would not be wrong, but the
mismatch error could not be calibrated [6].
Digital Down Conversion (DDC) is an important part of a high-speed TIADC acquisition
system. Its main function is to convert a digitized real signal centered at an intermediate
frequency to a base-band complex signal centered at zero frequency. It is also used
to reduce the input signal to a lower sampling rate, thus allowing lower-speed processors
to process fast incoming signals. At present, there are mainly two methods to implement
DDC. The first is utilizing a DDC device, which features advantages of convenient
use and outstanding performance. However, its disadvantage of narrow-band imposes
restrictions on engineering application.
Another method is DDC implementation in a field programmable gate array (FPGA), which
features high operating speed, parallel processing, lower resource cost, high flexibility,
fast IO speed, etc. Therefore, an FPGA is especially suitable for broadband digital
processing. As FPGAs develop at high speed, they make great strides in device speed
and inner resources. However, there is still considerable speed and resource pressure
for some DDC architectures (for instance, the traditional serial architecture [10,11], the polyphase filtering-based broadband DDC architecture [12-16], and so on).
In this work, a digital post-processing circuit for high-speed high-resolution TIADC
is proposed, which contains a modulation calibration circuit suitable for any frequency
and a DDC circuit with optional decimation ratios of 1, 2, 4, and 8 times.
The rest of this paper is structured as follows. Section II describes the principles
of the modulation calibration algorithm and the reason why a traditional modulation
algorithm cannot be calibrated at some special frequencies. Sections III and IV present
the design of a calibration circuit and DDC circuit in detail. Finally, Section V
shows the simulation and experiment results of the proposed digital post-processing
circuit, and Section VI gives the conclusion.
2. Background
2.1 Principle of Modulation Calibration Technique
In a TIADC, the spectrum generated by offset mismatch is located at $kf_{s}/M$, and
the spectrum generated by gain and timing mismatch is located at $\pm f_{in}+kf_{s}/M$,
where M is the number of channels, k is an integer not bigger than M, and f$_{in}$
is the frequency of input signal. The basic theory of the modulation calibration technique
is to use the position characteristics of the TIADC mismatch errors on the spectrum
and to construct a signal with the same position as each spurious spectrum. The constructed
signal is called a pseudo-spurious signal. The calibration can be achieved by multiplying
the signal by an appropriate estimated coefficient and then making a difference between
the signal to be calibrated and the pseudo-spurious signal, thus eliminating the spurs
due to channel mismatch.
Taking a four-channel TIADC system as an example, the modulation process can be implemented
using a Walsh function. The first four sequences of the Walsh function vary periodically
is as follows:
When a signal is multiplied by the Walsh function, the signal spectrum is shifted
by 0, f$_{\mathrm{s}}$/4, f$_{\mathrm{s}}$/2, and 3f$_{\mathrm{s}}$/4 in the frequency
domain. Using this property, we can construct a pseudo-spurious signal.
For gain and timing mismatch errors, the pseudo-spurious signal can be realized by
multiplying the output of the TIADC with a Walsh function, while for offset mismatch
error, the Walsh function itself can be used as a pseudo-spurious signal. We assume
${\alpha}$ is the estimation coefficient, which can be obtained by performing correlation
operations on signals before and after modulation. Then, the calibrated output of
TIADC is:
where $\hat{y}\left[n\right]$ is the signal after calibration, $y\left[n\right]$ is
the output of the TIADC that needs to be calibrated, $y_{e}\left[n\right]$ is the
pseudo-spurious signal, and $y_{e}^{'}\left[n\right]$ is the derivative of pseudo-spurious
signal. Assuming ${\alpha}$$_{ti}$, ${\alpha}$$_{gi}$, and ${\alpha}$$_{oi}$ are the
error estimation coefficients for timing, gain, and offset, respectively, for a four-channel
TIADC, the calibrated output is:
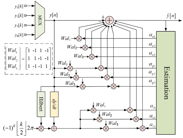
The modulation calibration block diagram is shown in Fig. 1. The output of the TIADC is first modulated by the Walsh function to construct a
quadrature signal, and then the correlation results of the quadrature signals with
mismatch errors are used to estimate the value of errors. Fig. 2 shows the specific estimation process of the timing and gain errors. The corresponding
estimated error coefficients are as follows:
In (5), ${\mu}$$_{t}$, ${\mu}$$_{g}$, and ${\mu}$$_{o}$ signify the iteration steps of timing,
gain, and offset mismatch, and the value of iteration step size depends on the tradeoff
between calibration accuracy and speed. It should be noted that although the gain
and timing mismatch errors are in the same position on the spectrum, their phases
are not the same. Thus, for timing mismatch calibration, the input signal needs to
be differentiated.
Fig. 1. The traditional modulation calibration structure.
Fig. 2. The estimation process of timing and gain mismatch errors.
2.2 Analysis of Calibration Failure at Some Special Frequencies
The principle of the modulation calibration technique is to construct a pseudo-signal
that has the same position with spurs due to mismatch error. However, at some special
frequencies, the spurious signals coincide with the input signal. Thus, channel mismatch
errors cannot be estimated. When the input signal satisfies (6), the signal frequency will be aliased with the spurious generated by timing and gain
mismatch errors. When the input signal satisfies (7), the signal will be aliased with spurious generated by offset mismatch error.
Taking a four-channel TIADC as an example, in the first Nyquist band, the special
frequency points that conform to (6) are 0.125f$_{s}$, 0.25f$_{s}$, and 0.375f$_{s}$. Taking f$_{in}$=0.125f$_{s}$ as
an example, the spectrum with timing mismatch error is shown in Fig. 3(a). The partial gain and timing mismatch spurs coincide with the input signal spectrum.
When the input signal in the first Nyquist band is at 0.25f$_{s}$ and satisfies (7), the signal spectrum will be aliased with the spurious spectrum of offset mismatch
error as shown in Fig. 3(b).
To solve this deficiency, the traditional algorithm uses a notch filter to filter
these special frequency points to avoid further deterioration after calibration, but
these errors are not eliminated. Further, the cutoff frequency of the notch filter
is normally not ideal. As a result, signals near the special frequency cannot be calibrated
either. Therefore, better solutions need to be considered.
Fig. 3. The spectrum of the input signal at a special frequency.
3. Proposed Calibration Technique
In order to overcome the shortcomings of traditional modulation algorithms that cannot
be calibrated at special frequency points, the proposed calibration technique has
a test signal before the actual signal that is pre-input to the TIADC. The estimated
mismatch errors are stored. Then, with an arbitrary actual signal input, a method
based on threshold judgment is used to determine whether it is at a special frequency
or not. When the system detects that the input signal is at a special frequency, the
stored errors are directly extracted for compensation; otherwise, a background adaptive
digital calibration algorithm executes in real time. The overall calibration system
after optimization is shown in Fig. 4. A memory module is used to save the error estimation value obtained by a test signal.
The principle of frequency detection based on threshold judgment is shown in Fig. 5. For a better explanation, we take a four-channel TIADC as an example. When the input
signal is located at 0.125f$_{s}$ or 0.375f$_{s}$, the absolute value of the TIADC
output has the same size as the output after 8 cycles; that is, the long-term average
of (1-z$^{-8}$) for the output should be approximately zero. For signals near these
two frequencies, the farther away from these special frequency points they are, the
greater the difference in their long-term average will be.
Also, for an input signal located at f$_{s}$/4, the value of the sampling signal should
be the same in each cycle, so the difference between the current signal and the signal
after 8 cycles should also be approximately zero. By extension, for a TIADC with M=2$^{\mathrm{n}}$
(n=1, 2, …) channels, the expression of threshold judgment can be expressed as follows:
where A is the threshold value. Considering the influence of noise and other factors,
the threshold value will not be exactly equal to 0.
After repeating testing with multiple samples, in our four-channel TIADC, the maximum
threshold value was about 0.06. Therefore, in this work, the threshold value was set
to 0.06. When the threshold value is less than the set value, the calibration module
directly compensates for the stored error value. When the threshold value is larger
than the set value, the calibration module executes the background calibration. In
this way, the problem of not being able to calibrate at special frequency points can
be solved.
In the process of calibration algorithm implementation, the hardware complexity of
the multiplier is much higher. Therefore, reducing the number of multipliers in the
algorithm can greatly reduce the hardware overhead of the whole calibration system.
Since the modulation process of the Walsh function can be viewed as a periodic variation
of the signal amplitude, the involvement of multipliers is not required. Therefore,
redundant terms can be resolved by sharing the same input terms. By extracting the
same input terms of (3), it can be transformed into (9) as follows:
After optimization, both gain and timing calibration processes require only one multiplier,
as shown in Fig. 4. After this optimization, the number of multipliers does not increase with the number
of channels of the TIADC. The error estimation module can be further optimized by
changing the order of signal correlation and modulation as shown in Fig. 6.
For the estimation of timing mismatch, a derivation is needed. Here, a delay unit
is utilized to replace the traditional derivation module to reduce the complexity
of the estimation module. The reason can be explained as follows. When there is a
timing mismatch error, the digital output $\hat{y}\left[n\right]$ would have a different
phase with its delay, so the correlation result will not be zero. Thus, the timing
mismatch error can be realized by a correlation operation, which can be obtained by
an AVE&LMS calculation.
Filters are the most powerful module in the calibration system. Thus, in this work,
we introduce CSD coding combined with Horner’s rule and sub-expression sharing to
optimize the complexity. The CSD coding is the conversion of a contiguous 1 sequence
of length greater than 2 in the complement into a form of 100... 0 (-1), where (-1)
indicates that the bit is negative. For example, when the input data is a five digit
complement 00111, it can be converted to the form 0100 (-1). Thus, the non-zero bits
in the filter coefficients are minimized, thereby reducing the complexity of multiplication.
After CSD coding, the order of shifting and adding during the operation can be adjusted
by Horner’s rule. The whole process is shown in Fig. 7.
When the input is x, we take a data width of 8 bits as an example. For one group of
the multiplication and accumulation operations, 2$^{-5}$x+2$^{-3}$x, only the high
5 bits of x participate in the operation. When the accumulation method is changed
by Horner's rule, the result becomes 2$^{-5}$x+2$^{-3}$x=2$^{-3}$ (x+2$^{-2}$x). At
this time, the whole data width of x is involved in the operation, which improves
the precision of multiplication. On the other hand, a sub-expression sharing based
on the transposed FIR filter is introduced by having the term that occurs more frequently
as a common term and multiplies the input signal. Then, the output of the constant
coefficient multiplier in the filter is constructed by adding shifts, so the amount
of operation in the multiplication process can be reduced. As shown in Fig. 4, the Hilbert filter and the derivative filter have the same input terms, so it is
also possible to optimize the two filters together, extract the same sub-expression,
and use a set of sharing sub-expressions.
The optimized Hilbert filter and derivative filter are shown in Fig. 8, where ">>>" means the shift logic right of a signed number. The common sub-expressions
of the two filters are 101, 101, 1001, 100(-1), 10001, and 1000(-1), and the corresponding
logical relationship is shown in (10).
Fig. 4. Architecture of the proposed calibration technique.
Fig. 5. The proposed judgment structure of threshold.
Fig. 6. Architecture of the proposed mismatch estimation.
Fig. 7. The principle of Horner’s rule.
Fig. 8. Architecture of the proposed improved Hilbert filter and derivative filter.
4. Design of DDC Circuit
Due to the high-speed and high-precision characteristics of the TIADC, the data rate
after conversion is too fast, so a DDC system is need to better match the rate requirements
of the subsequent receiving devices. The proposed DDC system is shown in Fig. 9, and it consists of a Numerically Controlled Oscillator (NCO), a mixer, a low-pass
filter (LPF), and so on. The functions of the DDC in this design include frequency
modulation, optional multiple decimation by a factor of 1, 2, 4, and 8, as well as
gain and complex-to-real conversion.
The NCO is used to generate a specific frequency signal for modulation. The main design
methods of the NCO include the CORDIC algorithm and lookup table method. The CORDIC
algorithm method only includes addition, subtraction, and shift operations and consumes
less register resources, but the precision of the output sine and cosine values is
limited by the number of iterations.
While the look-up table method consumes more resources, it has a simple structure
and can generate high-quality sine and cosine waveforms. This design has high requirements
on running speed and resolution. Therefore, we chose the lookup table method to realize
the design of the NCO, as shown in Fig. 10.
The NCO module consists of two D flip-flops, an adder, and a sine and cosine lookup
table. The input frequency control word FSW drives the accumulation of phase increments,
and the phase increment values are used as address lines to read the data in the sine
and cosine lookup table and return all the way back to the phase accumulator for accumulation.
Based on the requirements of the TIADC system, the depth of the design is 4096, and
the bit width is 18 bits.
Before decimation, the input signal should be firstly modulated with a signal from
the NCO by a mixer, the spectrum of the original signal is shifted to the left and
right sides based on the frequency of the modulated signal, and the process of spectrum
shifting is shown in (11).
Since the working speed of the multiplier is greatly affected by layout and routing
of the FPGA board, in this design, the maximum speed of a multiplier of more than
18 bits is below 450 MHz, so the multiplier needs to be optimized. We realized the
mixer by using a base 4 booth encoding [17-19], a 4-2 compressor, and a carry save adder (CSA). The implementation block diagram
is shown in Fig. 11. PP0-PP8 are nine groups of partial products and are generated by extending the lowest
bit of the data by adding zero. They multiply the input signal with adjacent three-bit
groups, the middle bit of the partial product is 2n, and n is 0 to 8. Since the binary
number is 0 or 1, a three-digit lookup table can be quickly listed, and the operation
on the multiplier can be quickly determined based on the three-digit value of the
multiplier.
In this way, the 18* 18 multiplier used in the end can be reduced by half, and then
an addition tree is constructed in the form of 4-2 compressors and CSA adders. The
sum of partial products is sent to the 4-2 compressor or CSA adder in a group. Finally,
the data is compressed into two sets of numbers C and D with a weight value and then
sent to the next level of the compressor. Here, a pipeline is inserted between each
stage, and these two sets of data are added to obtain the corresponding product.
After mixing, a decimation filter bank consisting of three HB filters cascaded was
designed to filter and decimate data as shown in Fig. 9. Since the passband and stopband of the HB filter are symmetrical about one-half
the Nyquist frequency, and nearly half of the coefficients are exactly zero, it is
very suitable for use as an antialiasing filter in double sampling rate conversion.
For a cascaded system of multiple decimation filters with adjustable decimation multiples,
the filtering performance of the previous decimation filter can be appropriately reduced.
Th unfiltered spurs are folded into the pass band or transition band, but they can
be filtered out by the last HB filter. In this way, the hardware consumption of the
previous HB filter can be reduced. The spectrograms of three HB filters designed based
on this standard are shown in Fig. 12. The passband ripple of the filter is not more than 0.001 dB, and the stopband suppression
is not less than 100 dB.
For the design of the HB filter, multiphase structures can be accomplished by Noble's
identity [20]. Since the HB filter has an even symmetry relationship between tap coefficients,
there is partial redundancy in the traditional structure, so when designing the HB
filter, we adopt a folding method, adjust the order of multiplication and addition
in advance, control the scaling of the data, and avoid overflow. The 10th-order HB3-FIR
filter is shown in Fig. 13, where z$^{-1}$ is the delay unit under the system clock, and D is the delay unit
after division by two.
It needs to be pointed out that after modulation and filtering, a gain module is required
to compensate for the half attenuation of the input signal amplitude. When only one
channel of data output is desired, an I/Q two-channel signal can also be synthesized
after up conversion by f$_{s}$/4 through the complex-to-real conversion function.
The reason for using a signal with frequency of f$_{s}$/4 for up conversion is that
the modulation process can be realized by periodically changing the symbol of the
I/Q data during up conversion, thereby reducing the hardware consumption of the system.
Fig. 9. Architecture of the proposed DDC circuit.
Fig. 10. Architecture of the proposed NCO circuit.
Fig. 11. Architecture of the proposed improved mixer.
Fig. 12. The spectrum of HB filters.
Fig. 13. Architecture of the proposed HB3 filter.
5. Simulation and Verification Results
5.1 Simulation Results
The overall calibration structure was firstly verified in MATLAB. A 14-bit TIADC composed
of four channels was modelled. In actual TIADCs, the time error is generally 5‰ to
1%, and the gain and offset error is generally about 1% to 6% based on a manufacturing
process error statistic, so the timing error, offset error, and gain error of the
sub-ADC channels were set as [2, -1, 4, 3] ‰T$_{\mathrm{s}}$, [-0.02, 0.03, 0.015,
-0.01], and [0.01, 0.02, 0.025, -0.02], respectively. The iteration step value is
$\mu $=2$^{-13}$.
By inputting a set of multi-frequency signals in the baseband, the calibration ability
of the derivative filter under different orders was verified, and the simulation result
is shown in Fig. 14. When the filter derivative is 32, the SFDR of the calibrated spectrum basically
reaches the optimal value. When designing the Hilbert filter, its order is usually
set to be the same as the derivative filter, so both filters’ derivatives in this
paper are 32.
The calibration results in the first and second Nyquist bands are shown in Fig. 15. It is clearly seen that the SFDR and SNDR of the calibrated signal are significantly
improved. Before calibration, the SFDR is about 31 dB, and the SNDR is about 30 dB.
After calibration, the SFDR is about 103 dB, and the SNDR is about 85 dB.
Fig. 16 shows the output spectrum of the 4-channel TIADC with an 8-tone input signal. The
lowest frequency is f$_{L}$=0.05f$_{s}$, the highest frequency is f$_{H}$=0.19f$_{s}$,
and the frequency interval is about 0.02f$_{s}$. Comparing the spectrograms before
and after calibration, it can be observed that spurs due to mismatches are suppressed
significantly, and the dynamic performance of the system is greatly improved. With
test signals in the first and second Nyquist bands at 0.3f$_{s}$ and 0.7f$_{s}$, respectively,
the simulation results of signals at special frequencies are shown in Fig. 17.
Comparing the dynamic performance of the TIADC before and after calibration, it can
be seen that the SFDR and SNDR are both greatly improved, which indicates the effectiveness
of the proposed calibration technique. But the second Nyquist calibration may not
be as good as the first one, and the reason is that the estimated error values are
correlated with the input signal frequency. The higher the input signal frequency
is, the bigger difference in estimated error from the actual error is, which results
in a decrease of the compensation effect.
For the simulation of the DDC circuit, since the I /Q output of the DDC circuit contains
the same signal information, we only show the spectrum of I in the following. Taking
a signal frequency 392.11 MHz as an example, with a modulation signal at 190 MHz,
according to modulation formula (11), it can be known that after modulation, the left and right spectra of the signal
are at.22.11 MHz and 202.11 MHz, respectively, as shown in Fig. 18. The modulated output signal is first filtered and decimated through the first stage
HB3 filter. Since the normalized band frequency of the HB3 filter is 0.9${\pi}$, which
is 252 MHz, it is impossible to completely suppress the high-frequency signal. Therefore,
its spectrum is folded into the transition band after the decimation. After the first
decimation, the Nyquist band changes from 0-280 MHz to 0-140 MHz, the spectrum at
202.11 MHz is mirrored to 77.89 MHz, which is shown in Fig. 19.
After the 2x decimation is completed, the 4x decimation of the signal is completed
using the second-stage HB2 filter. The 4x decimated spectrogram is shown in Fig. 20, where the first Nyquist band becomes to 0-70 MHz, and the undefined high-frequency
part is folded to 62.11 MHz. Since the normalized stopband frequency of the last-stage
HB1 filter is 0.6${\pi}$, at this time, spurs other than at 32 MHz are filtered out
by HB1, and the final completed spectrogram is shown in Fig. 21.
Fig. 14. The relationship between the order of the differentiator and the SFDR after calibration.
Fig. 15. SFDR and SNDR before and after calibration.
Fig. 16. Spectrum before and after calibration with multi-tone input.
Fig. 17. (a) SFDR; (b) SNDR before and after calibration at special frequency.
Fig. 18. Spectrum of I signal after modulation.
Fig. 19. Spectrum of I signal after decimation 2 times.
Fig. 20. Spectrum of I signal after decimation 4 times.
Fig. 21. Spectrum of I signal after decimation 8 times.
5.2 Hardware Validation
A test platform was built as shown in Figs. 22 and 23. A TIADC chip was designed in
a TSMC-28-nm CMOS process with a structure composed of a 14-bit, 360-MHz, four-channel
TI-SAR ADC. The calibration algorithm and DDC circuit were executed in an FPGA board
that houses a Xilinx FPGA chip (xczu9eg-ffvb1156-2-e).. I2C communication between
the FPGA and TIADC was implemented through the FMC interface.
As the internal storage capacity of the FPGA chip is not enough, it is not able to
store a large amount of the TIADC sampling data, so we used DDR4 external memory connected
to the PL terminal on the ZCU102 development board to store the data acquired by the
TIADC. Referring to the ZCU102 (ug1182), the DDR4 device was named MT40A256M16GE-075E,
and the memory capacity was 4 Gb (256 Mb${\times}$16). Finally, all data were sent
to a PC for analysis.
With a sampling frequency f$_{s}$=360 MHz and an input signal at f$_{in}$=110 MHz,
the spectrum before and after calibration is shown in Figs. 24(a) and 23(b). After
calibration, spurs due to channel mismatch are greatly eliminated, and the SFDR increases
from 37.43 dB to 74.51 dB. The SNDR increases from 30.47 dB to 58.15 dB, which indicates
the effectiveness of the proposed calibration technique.
For the DDC circuit, the verification results of the I channel outputs with 2, 4,
and 8 times are shown in Figs. 25(a)-(c), respectively. The overall verification results
of the calibration and DDC circuit are shown in Table 1. The FPGA verification results show that, after calibration and decimation, the spurious-free
dynamic range (SFDR) improves about 30 dB, and signal-to-noise distortion ratio (SNDR)
improves about 40 dB.
The characteristic comparison of the proposed calibration technique with several other
calibration techniques is shown in Table 2. It which shows that the scope of application of this work is much wider, and the
calibration accuracy is high. Table 3 compares the complexity of our work with the other latest calibration techniques,
and it can be easily seen that the numbers of LUTs and registers of this work are
the lowest, while the working frequency is the highest. The resource consumption
of the filter bank of the DDC circuit is shown in Table 4. Compared with traditional and CSD techniques, the proposed CSD coding technique
combined with Horner’s rule and sub-expression sharing can greatly reduce the hardware
resources of the DDC circuit.
Table 1. The verification results of calibration and DDC.
|
|
Modulation
signal
|
SNDR/dB
|
SFDR/dB
|
|
Before calibration
|
-
|
30.47
|
37.43
|
|
After calibration
|
-
|
58.15
|
74.51
|
|
Decimation 2 times
|
100 MHz
|
58.22
|
75.12
|
|
Decimation 4 times
|
100 MHz
|
60.52
|
76.01
|
|
Decimation 8 times
|
100 MHz
|
62.18
|
78.39
|
Table 2. Comparison with the state-of-art calibration techniques.
|
Characteristic
|
[2]
|
[7]
|
[8]
|
[21]
|
This work
|
|
Resolution
|
11 bits
|
14 bits
|
8 bits
|
11 bits
|
14 bits
|
|
λfs/2M
|
no
|
no
|
no
|
no
|
yes
|
|
Mismatch Type
|
time
|
time
gain
offset
|
time
gain
offset
|
time
gain
|
time
gain
offset
|
|
Any NBs
|
yes
|
yes
|
yes
|
yes
|
yes
|
|
M (# of channels)
|
4
|
2M
|
M
|
M
|
2M
|
Table 3. Comparison of hardware resources of calibration techniques.
|
Characteristics
|
[2]
|
[7]
|
[8]
|
[21]
|
This work
|
|
LUTs
|
8779
|
8903
|
4277
|
6954
|
6468
|
|
Registers
|
7741
|
7449
|
2202
|
6053
|
6333
|
|
Fmax (MHz)
|
194
|
658
|
165
|
165
|
658
|
Table 4. Comparison of hardware resources of DDC.
|
Filter
|
Resource
|
Tradition
|
CSD
|
This work
|
|
HB3-FIR
(10 taps)
|
LUTs
|
891
|
481
|
407
|
|
Register
|
911
|
982
|
467
|
|
HB2-FIR
(18 taps)
|
LUTs
|
1631
|
871
|
612
|
|
Register
|
1760
|
1747
|
660
|
|
HB1-FIR
(62 taps)
|
LUTs
|
4114
|
2188
|
1362
|
|
Register
|
4537
|
4164
|
1869
|
Fig. 22. The physical verification platform of the TIADC system.
Fig. 23. The schematic of the verification platform of the TIADC system.
Fig. 24. The verification results of calibration circuit.
Fig. 25. The verification results of DDC circuit.
6. Conclusion
This paper presented an all-digital post-processing circuit for a high-speed and high-precision
TIADC. The main innovations are as follows. Firstly, a threshold judgement module
was introduced to detect the signal at a special frequency. By pre-inputting a test
signal in the TIADC, the error estimation values were estimated and stored, and the
stored error estimation values were extracted to compensate for errors when the input
signal is at a special frequency. This calibration technique can be applied to a TIADC
at any frequency and consumes much less hardware resources. The hardware consumption
of filters was greatly reduced by introducing a CSD coding technique combined with
Horner’s rule and sub-expression sharing. Secondly, a DDC system with an improved
mixer and filter was designed to realize decimation 1, 2, 4, and 8 times. FPGA verification
results showed that the proposed technique can effectively reduce the distortion caused
by channel mismatch, thereby significantly improving the SNDR and SFDR of the TIADC
and meeting the need for digital down conversion.
ACKNOWLEDGMENTS
This work was supported by grants from the National Ministry of Science and Technology,
National Key R&D Program, JZ2020ZDYF0261, Deep Neural Network Algorithm Mapping and
Scheduling Technology. This work was also supported by grants from Analog Integrated
Circuit Laboratory (No. 6142802190506).
REFERENCES
Salib A., Flanagan M. F., Cardiff B., Oct. 2020, Time-Skew Estimation for Random Sampling
Sequence Time-Interleaved ADCs, IEEE Trans. Circuits Syst. Ⅱ, Exp. Briefs, Vol. 67,
No. 10, pp. 1809-1813

Ta V. T., Thi Y. H., Duc H. L., Hoang V. P., 2018, Fully Digital Background Calibration
Technique for Channel Mismatches in TIADCs, in proc. NAFOSTED Conference on Information
and Computer Science (NICS), pp. 270-275

Li X., Sun R., Chen H., Deng H., Mar. 2019, Timing mismatch calibration algorithm
based on derivative multiplication for TIADC, Microelectronics, Vol. 49, pp. 378-384

Duc H. L., Nguyen D.M., Jabbour C., Graba T., Desgreys P., Jamin O., Nguyen V.T.,
Jan. 2016, All-digital calibration of timing skews for TIADCs using the polyphase
decomposition, IEEE Trans. Circuits Syst. Ⅱ, Exp. Briefs, Vol. 63, No. 1, pp. 99-103

Zhou Y., Xu B., Chiu Y., Aug. 2019, A 12-b 1-GS/s 31.5-mW Time-Interleaved SAR ADC
With Analog HPF-Assisted Skew Calibration and Randomly Sampling Reference ADC, in
IEEE Journal of Solid-State Circuits, Vol. 54, No. 8, pp. 2207-2218

Jamal S. M., Fu D., Hurst P. J., Lewis S.H., Feb. 2002, A 10b 120MSample/s time-interleaved
analog-to-digital converter with digital background calibration, IEEE J Solid State
Circuits, Vol. 1, pp. 172-457

Matsuno J., Yamaji T., Furuta M., Itakura T., May. 2013, All-digital background calibration
technique for time-interleaved ADC using pseudo aliasing signal, IEEE Trans. Circuits
Syst. Ⅰ, Reg. Papers, Vol. 60, No. 5, pp. 1113-1121

Qiu Y., Liu Y. J., Zhou J., Zhang G., Chen D., Du N., Aug. 2018, All-digital blind
background calibration technique for any channel time-interleaved ADC, IEEE Trans.
Circuits Syst. Ⅰ, Reg. Papers, Vol. 65, No. 8, pp. 2503-2514

Qiu Y., Liu Y.J., He X., Xie N., Liu Y., Apr. 2019, An Adaptive Blind Calibration
Technique for Frequency Response Mismatches in M-Channel Time-Interleaved ADCs, IEEE
Trans. Circuits Syst. Ⅱ, Exp. Briefs, Vol. 66, No. 4, pp. 702-706

YU J Y, LI Y., 2009, An efficient digital down converter architecture for wide band
radar receiver[C], IET International on Radar c, pp. 1-4

HU G SH. , 2004, Modern signal processing[M], Beijing: Tsinghua University Press,
Vol. 11, pp. 132-141

PETROWSKI M, CHESTER D B, YOUNG W R., 1993, Single Chip Digital Down Converter Architecture[C],
IEEE International Conference on Acoustics, Speech, and Signal Processing, Vol. 1,
pp. 349-352

PETROWSKI M, CHESTER D B, YOUNG W R., 1993, Single Chip Digital Down Converter Architecture[C],
IEEE International Conference on Acoustics, Speech, and Signal Processing, Vol. 1,
pp. 349-352

BAI F M, LV X L, YAN F., 2010, Programming design of Digital-Down Converter based
on software radio[C], Second Pacific-Asia Conference on Circuits, Communications and
System (PACCS), Vol. 1, pp. 351-354

MATTHEW T H, WASFY B M, ACHILLEAS G K., 2009, Wideband Digital Downconverters for
Synthetic Instrumentation[J], IEEE Transactions on Instrumentation and Measurement,
Vol. 58, pp. 263-269

GUO L P, TIAN SH L, et al. , 2012, Study of NCO realization in parallel digital down
conversion[J], Chinese Journal of Scientific Instrument, Vol. 33, No. 5, pp. 997-1004

HARRIS F, DICK C, RICE M., 2003, Digital receivers and transmitters using Polyphase
filter banks for wireless communication [J], IEEE Transactions on Microwave Theory
and Techniques, Vol. 51, No. 4, pp. 1395-1412

Chang Y J, Cheng Y C, Liao S C, et al. , 2020, A Low Power Radix-4 Booth Multiplier
with Pre-Encoded Mechanism[J], IEEE Access, Vol. 99, pp. 1-1

Asif S, Kong Y., 2015, Performance analysis of Wallace and radix-4 Booth-Wallace multipliers[C],
Electronic System Level Synthesis Conference. IEEE

Rahnamaei A, Fatin G Z., 2018, High Speed 16${\times}$16bit Booth Multiplier Based
on Novel 4-2 Compressor Structure[C], International Conference on Advanced Research
in Engineering Sciences. IEEE

Cheng Peiqing. , 2013, Digital Signal Processing Tutorial [M], Beijing: Tsinghua University
Press

Duc H. L., Thi K. P. D., Van P. H., Duc M. N., Nov. 2019, All-Digital Background Calibration
of Gain and Timing Mismatches in Time-Interleaved ADCs Using Adaptive Noise Canceller,
AEU, Vol. 114, No. 6, pp. 152999

Author
Hongmei Chen received a B.S. degree and M.E. degree in microelectronics from Huazhong
Science & Technology University, China, in 2008 and 2011, respectively. She received
a Ph.D. degree in circuits and systems at University of Science & Technology in China
in 2017. She is currently a lecturer in Hefei University of Technology. Her research
interests include CMOS mixed-signal circuits, A/D and D/A converters, and sensor interfaces.
Lanyu Wang received a B.S. degree in integrated circuits and integrated systems
from Hefei University of Technology, Hefei, China, in 2020. He is currently pursuing
an M.S. degree in circuits and systems with Hefei University of Technology. His research
interests include TIADC digital calibration techniques and Hall sensor chips.
Jian Wang received a B.S. degree in optoelectronic information science and Engineering
from Anhui University of Technology, Maanshan, China, in 2019. He is currently pursuing
an M.S. degree in electronics and communi-cations engineering with the Hefei University
of Technology. His research interests include digital calibration techniques and the
design of digital filters.
Jiashen Li received a B.S. degree in integrated circuits and integrated systems
from Hefei University of technology, Hefei, China, in 2020. He is currently pursuing
a Ph.D. degree in circuits and systems with Hefei University of Technology. His research
interests include ADC digital calibration techniques based on a neural network.
Honghui Deng received her M.S. degree in control theory and control engineering
from Hefei University of Technology, Hefei, China, in 2002. Her main research interests
include analog and mixed signal integrated circuit design and low-power circuit design.
Xu Meng received his B.S. degree in microelectronics from Anhui Univer-sity, Hefei,
China, in 2009, and a Ph.D. in circuits and systems from the University of Science
and Technology of China, Hefei, China, in 2016. His main research interests include
analog and mixed signal integrated circuit design, high-performance clock production,
and frequency research and development.
Yongsheng Yin received his B.S. degree from Hefei University of Technology, Hefei,
China, in 1995, and a Ph.D. degree in precision instruments and machinery from Hefei
University of Technology, Hefei, China, in 2006. He is currently a professor at Hefei
University of Technology. His main research interests include mixed signal circuit
design, reconfigurable computing, etc.